The Lap Joint Flange redefines flexibility in piping systems, offering a dynamic solution for managing thermal expansion and contraction stresses while enabling seamless disassembly in low-pressure applications. Combining a robust flange ring with a pivoting flanged component, this innovative design allows controlled axial movement of pipelines, effectively absorbing temperature-induced shifts without compromising structural integrity. Available in two configurations—Butt Weld Ring Type (PJ/SE) for high-precision welded joints and Flat Weld Ring Type (PJ/RJ) for simplified installation—it caters to diverse operational needs while maintaining leak-proof performance. Engineered from premium carbon steel or stainless steel, the flange resists corrosion and mechanical wear, ensuring reliability in industries such as chemical processing, water treatment, and food production, where frequent maintenance or equipment upgrades are routine.
|
Diameter |
DN50(2")-DN2000(80") |
|
Pressure |
0.6-2.5MPa |
|
Certificate |
PED, AD2000, EAC, ABS, BV, DNV, NORSOK M650, ISO9001, ISO14001, ISO45001, etc. |
|
Function introduction |
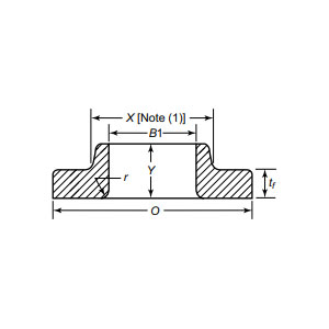
Combined with flange ring and flanging, allows axial displacement of the pipeline and reduces thermal expansion stress. Types: butt welding ring (PJ/SE) and flat welding ring (PJ/RJ). Suitable for low-pressure pipelines requiring frequent disassembly. |
|
Application fields |
Applicable to pipe flange connections in long-distance oil and gas pipelines, offshore platforms, chemical equipment, water treatment systems, and food and pharmaceutical industries, adapted to complex working conditions. |
|
Packing |
Seaworthy package,Plywood Cases or pallet or as per customers requirement |
|
Featured Products |
1、 Small batch minimum order; |
Its rotating mechanism simplifies alignment during assembly, reducing labor costs and downtime in systems like hydraulic machinery, HVAC networks, or modular industrial setups. By isolating flange movement from pipeline stress, it extends the lifespan of gaskets and bolts, lowering long-term replacement expenses. From offshore platforms requiring thermal compensation to pharmaceutical plants needing sterile, easy-to-clean connections, the Lap Joint Flange ensures compliance with ASME and EN standards while adapting to evolving operational demands. Backed by rigorous testing and versatile compatibility, it empowers engineers to design resilient, future-ready infrastructure. Upgrade your piping systems today with our Lap Joint Flanges—where precision engineering meets adaptive strength, enabling your operations to thrive in dynamic environments. Choose flexibility, choose endurance, and unlock a new era of efficiency.
From raw material to final delivery, we maintain rigorous control at every stage to ensure durability,performance, and consistency.
01
02
03
04
05
06
07
08
09
10
11
12
