The Forged 90 Degree Thread Elbow redefines efficiency in pipeline systems, offering a robust solution for precise 90° directional changes while ensuring effortless installation and maintenance through its threaded connection design. Crafted from high-grade forged carbon steel or stainless steel, this elbow combines exceptional strength with corrosion resistance, making it ideal for low-pressure fluid systems where reliability and adaptability are paramount. The threaded ends enable quick assembly and disassembly without specialized tools, simplifying maintenance routines in applications such as water distribution networks, HVAC systems, and industrial irrigation setups. Its compact design navigates tight spaces with ease, optimizing flow efficiency while minimizing turbulence and pressure drops—a critical advantage in confined environments like marine engineering, food processing, and pharmaceutical facilities.
|
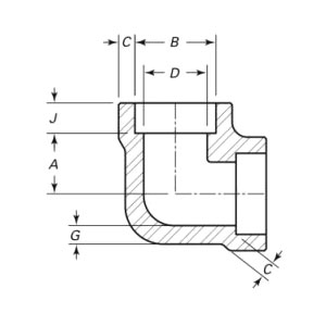
Size |
DN15(1/2")~DN600(24") |
|
Pressure Level |
Class 2000~6000 |
|
Thread Type |
NPT, BSPP, BSPT |
|
Certificate |
PED, AD2000, EAC, ABS, BV, DNV, NORSOK M650, ISO9001, ISO14001, ISO45001, etc. |
|
Function introduction |
Used for 90° direction turning of pipelines with threaded connection, easy to disassemble and maintain, suitable for low-pressure fluid systems. |
|
Application fields |
Designed for high-pressure pipeline systems, suitable for connection and steering of key parts such as petroleum refining, nuclear power equipment, chemical equipment, boiler pressure vessels, etc. |
|
Packing |
Seaworthy package, Plywood Cases or pallet or as per customers requirement |
|
Featured Products |
1、 Small batch minimum order; |
Engineered to withstand fluctuating temperatures and mechanical stress, this elbow ensures leak-proof performance in hydraulic systems, pneumatic controls, and low-pressure steam lines, reducing downtime and long-term operational costs. By streamlining complex routing and eliminating potential failure points, it empowers industries to maintain seamless fluid management even in space-restricted layouts. For engineers prioritizing durability, flexibility, and cost-effectiveness, the Forged 90 Degree Thread Elbow stands as a trusted ally. Upgrade your infrastructure today with our precision-forged elbows—where rugged performance meets intelligent design, ensuring your systems operate flawlessly under the demands of modern industry. Choose reliability, choose efficiency, and transform your pipeline networks with a solution built to endure.
From raw material to final delivery, we maintain rigorous control at every stage to ensure durability,performance, and consistency.
01
02
03
04
05
06
07
08
09
10
11
12
