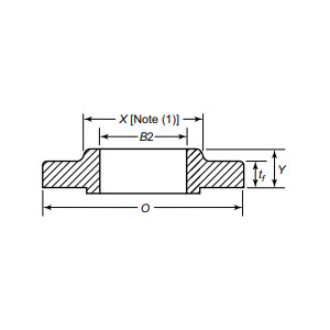
The Slip On Flange stands as a cornerstone of cost-effective piping solutions, combining simplicity with reliability to meet the demands of low-pressure systems. Designed for effortless integration, this flange slides over the pipe and is secured via a fillet weld, streamlining installation while minimizing labor and material costs—ideal for budget-conscious projects without compromising performance. Its smooth sealing surface (FF) ensures leak-free operation in non-toxic, low-pressure applications such as municipal water networks, HVAC systems, and general industrial pipelines, while the reinforced concave-convex (MF) face enhances sealing integrity for slightly more demanding environments.
| Diameter range | DN15(1/2")-DN3000(119") |
| Pressure rating | PN6-PN16 |
| Certificate | PED, AD2000, EAC, ABS, BV, DNV, NORSOK M650, ISO9001 ISO14001, ISO45001, etc. |
| Function introduction | Simple welded structure, Cost-effective solution, Easy installation, FF (Flat Face) for low-pressure non-toxic media, MF (Male-Female) for enhanced sealing |
| Application fields | Applicable to pipe flange connections in long-distance oil and gas pipelines, offshore platforms, chemical equipment, water treatment systems, and food and pharmaceutical industries, adapted to complex working conditions. |
| Packing | Seaworthy package, Plywood Cases or pallet or as per customers requirement |
| Featured Products | 1、Small batch minimum order; 2、Fast delivery; 3、Customized production; |
Crafted from durable carbon steel or stainless steel, it resists corrosion and mechanical stress, making it a versatile choice for industries ranging from food processing to chemical manufacturing, where hygiene and ease of maintenance are prioritized. The compact, lightweight design simplifies retrofitting and alignment, reducing downtime during system expansions or repairs. Whether used in agricultural irrigation, pharmaceutical facilities, or marine piping, the Slip On Flange adapts seamlessly to diverse layouts, ensuring compliance with ASME and EN standards. By balancing affordability with robust engineering, it empowers engineers to optimize infrastructure costs without sacrificing safety. Upgrade your pipeline systems today with our Slip On Flanges—where simplicity meets strength, enabling you to build smarter, maintain easier, and operate with confidence. Choose efficiency, choose reliability, and transform your pipeline infrastructure today.
From raw material to final delivery, we maintain rigorous control at every stage to ensure durability,performance, and consistency.
01
02
03
04
05
06
07
08
09
10
11
12
