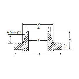
The Weld Neck Flange stands as the ultimate solution for high-pressure, high-temperature environments, engineered to deliver unmatched reliability through its robust butt-welded connection and precision-manufactured sealing surface. Designed for critical applications, this flange integrates seamlessly with pipelines via a full-penetration butt weld, creating a monolithic structure that withstands extreme pressures, thermal fluctuations, and mechanical stress—making it indispensable in oil refineries, petrochemical plants, and nuclear power systems. Its tapered neck design not only reinforces structural integrity but also minimizes stress concentration, ensuring long-term performance in demanding conditions. The production process—spanning advanced forging, stress-relieving heat treatment, precision finishing, rigorous non-destructive testing (NDT), and anti-corrosion surface treatments—guarantees a component that exceeds industry standards for safety and durability.
|
Diameter |
DN15(1/2")-DN3500(138") |
|
Pressure |
0.25-25MPa |
|
Certificate |
PED, AD2000, EAC, ABS, BV, DNV, NORSOK M650, ISO9001, ISO14001, ISO45001, etc. |
|
Function introduction |
Butt-weld connection provides high-strength sealing for high-pressure (HP) and high-temperature (HT) applications, ensuring leak-proof performance under extreme conditions |
|
Application fields |
Applicable to pipe flange connections in long-distance oil and gas pipelines, offshore platforms, chemical equipment, water treatment systems, and food and pharmaceutical industries, adapted to complex working conditions. |
|
Packing |
Seaworthy package, Plywood Cases or pallet or as per customers requirement |
|
Featured Products |
1、Small batch minimum order; |
From subsea pipelines enduring corrosive seawater to steam turbines operating at scorching temperatures, the Weld Neck Flange ensures leak-proof sealing and operational continuity. Industries requiring uncompromising quality, such as aerospace fluid systems or cryogenic storage, rely on its ability to maintain integrity under cyclic loading and harsh media exposure. By combining superior material resilience with precision engineering, this flange reduces lifecycle costs through minimized downtime and maintenance. For engineers tasked with safeguarding high-stakes infrastructure, the Weld Neck Flange is the definitive choice. Elevate your system’s performance today with our premium Weld Neck Flanges—where cutting-edge manufacturing meets industrial-grade resilience, empowering your operations to conquer the extremes of pressure, temperature, and time. Choose excellence, choose endurance, and build a future-proof foundation for your critical systems.
From raw material to final delivery, we maintain rigorous control at every stage to ensure durability,performance, and consistency.
01
02
03
04
05
06
07
08
09
10
11
12
